Śruba M12x1.5 / 32mm / do wąskich otw. / Torx - (ocynk) - Carbonado
Parametry
Śruba wąska TORX M12x1,5 / 32 mm
Wąskie śruby marki Carbonado służą do montażu felg aluminiowych wyposażonych w wąskie otwory, które nie dają możliwości zastosowania normalnych śrub. Dodatkową korzyścią z użycia wąskich śrub TORX jest to, że mogą stanowić zabezpieczenie przed nieautoryzowanym demontażem kół (do ich odkręcenia potrzebny jest rzadziej spotykany, specjalny klucz TORX).
Śruby wykonane są w klasie twardości 10.9, co zapewnia im bardzo dobre własności mechaniczne i fizyczne, m.in. wytrzymałość na rozciąganie i odporność na odkształcenia.
Śruby posiadają powłokę ochronną typuA3K – jest to ocynk o błyszczącym, niebieskim zabarwieniu (pasywacji).
Śruby sygnowane są marką Carbonado, która znana jest z felg aluminiowych, ale także grupuje akcesoria montażowe do felg. Śruby TORX Carbonado produkowane są we Włoszech – w tej samej fabryce co nakrętki oraz śruby przeznaczone na pierwszy montaż. Wyrób spełnia najwyższe standardy jakościowe, świadczy o tym m.in. certyfikat TÜV.
Uwaga: pamiętaj, że śrub TORX nie należy dokręcać kluczem pneumatycznym!
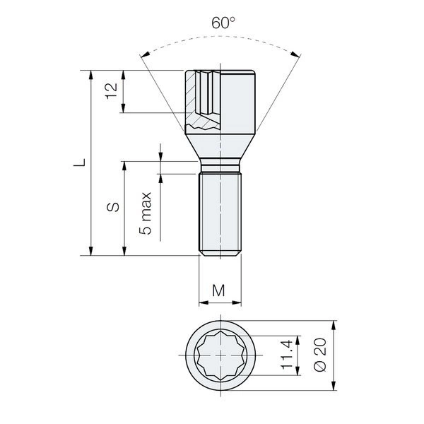
Oznaczenia na rysunku:
- M – średnica gwintu: 12 mm
- S – długość gwintu: 32 mm
- L – długość całkowita: 58 mm
(nadpłaty na koncie klienta)
